過去の開催履歴
第13回 (2021年)
	プレス用金型部門
 審査結果
	
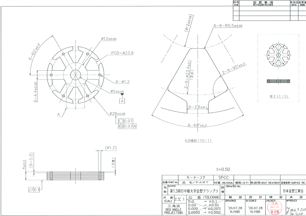
	課題【モーターコア】
岩手大学
大分県立工科短期大学校
大阪工業大学
岐阜大学
金賞岩手大学
銀賞大分県立工科短期大学校
大阪工業大学
岐阜大学
型構造賞GOOD型構造賞岐阜大学
審査員賞GOOD成形品賞大分県立工科短期大学校
(一財)産業デザイン賞GOODプレゼン賞大阪工業大学
第13回
学生金型グランプリ開催概要
	| 開催日時 | 2021年4月15日(木)14時~16時 | 
|---|---|
| 開催方式 | オンライン(ZOOMウェビナー) | 
| 出題テーマ | 
        プラスチック用金型部門課題:名刺ケース プレス用金型部門課題:モーターコア  | 
| 参加校 | 
         プラスチック用金型部門: プレス用金型部門:  | 
| 審査協力 | 株式会社ミツトヨ | 
| 表彰協力 | 一般財団法人産業デザイン | 
| 出題協力 | 大垣精工株式会社、 有限会社大主金型  | 
| 主 催 | 一般社団法人日本金型工業会 | 

